Skip to content Skip to sidebar Skip to footer

Ieee 30 Bus System Data

Power Systems Test Cases Ieee 30 Bus Test Systems Prof F Gonzalez Longatt

Power Systems Test Cases Ieee 30 Bus Test Systems Prof F Gonzalez Longatt

Ieee 30 bus system data. IEEE 14 Bus System. 2393 See end of file for warnings generated during conversion. Each example comes with a technical writeup that descrbes the work done and the data used.

The IEEE 30 Bus Test Case represents a portion of the American Electric Power System in the Midwestern US as of December 1961. The equivalent system has 15 buses 2 generators and 3 synchronous condensers. Synchronous Machine Controller Data Avr_IEEET1- IEEE type 1 excitation system DigSILENT simulation language for Avr_IEEET1- IEEE type 1 excitation system incupss 0 incvuel 0 incvoel 0 incusetp xaKau incusetp u incVbias xaKa-vuelvoel incxr u incxe uerrs incxf uerrs incxa xeKe1Se.

1 Bus Load and Injection Data of IEEE 30-Bus System. Ieee 30 bus system by ieee 30 bus modified test system kios research center appendix a data for ieee 30 bus test system pscadtm manitoba hvdc research centre ieee 30 bus system file exchange matlab central liines smart power grid test case repository load flow analysis amp simulation on ieee 30 bus system power system data and test cases. The IEEE 30 Bus Test Case represents a portion of the American Electric Power System in the Midwestern US as of December 1961.

A hardcopy data was provided by Iraj Dabbagchi of AEP and entered in IEEE Common Data Format by Rich Christie at the University of Washington in August 1993. The system data is taken. The IEEE 30-bus test case represents a simple approximation of the American Electric Power system as it was in December 1961 1.

Power flow data for IEEE 30-bus test case. The generator cost and emission coefficients load shunt capacitor. IEEE-30 Bus System Data Cl BUS LOAD AND INJECTION DATA OF THE IEEE 30-BUS SYSTEM Table C.

This appendix presents IEEE-30 bus system data. But MATLAB Simulink model calculated data for series admittance conductance and susceptance value of inductor and capacitor. Case57CASE57 Power flow data for IEEE 57 bus test case.

IEEE 09 Bus System. In this bus system provided data form generation bus shunt capacitor transmission line load on bus.

Ieee 30 Bus Electricity Network 28 Download Scientific Diagram

Ieee 30 Bus Electricity Network 28 Download Scientific Diagram

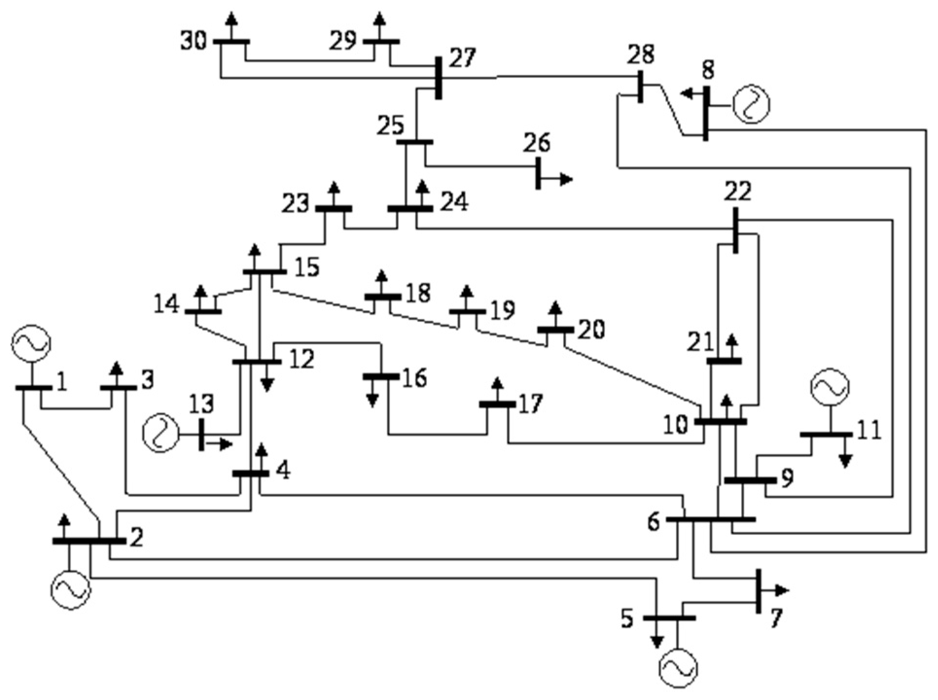
Single Line Diagram Of Ieee 30 Bus System Download Scientific Diagram

Single Line Diagram Of Ieee 30 Bus System Download Scientific Diagram

Bus Data For A Modified Ieee 30 Bus System Download Table

Bus Data For A Modified Ieee 30 Bus System Download Table

Power Systems And Evolutionary Algorithms 30 Bus System

Power Systems And Evolutionary Algorithms 30 Bus System

Pdf Power Flow Analysis For Ieee 30 Bus Distribution System Semantic Scholar

Pdf Power Flow Analysis For Ieee 30 Bus Distribution System Semantic Scholar

Ieee 30 Bus System Illinois Center For A Smarter Electric Grid Icseg

Ieee 30 Bus System Illinois Center For A Smarter Electric Grid Icseg

Pdf Power Flow Analysis For Ieee 30 Bus Distribution System Semantic Scholar

Pdf Power Flow Analysis For Ieee 30 Bus Distribution System Semantic Scholar

Ieee 30 Bus Test System Download Scientific Diagram

Ieee 30 Bus Test System Download Scientific Diagram

A Data For For Ieee 30 Bus Test System The Cost Coefficients Of Ieee 30 Bus

A Data For For Ieee 30 Bus Test System The Cost Coefficients Of Ieee 30 Bus

Power Systems Test Cases Ieee 30 Bus Test Systems Prof F Gonzalez Longatt

Power Systems Test Cases Ieee 30 Bus Test Systems Prof F Gonzalez Longatt

Ieee 30 Bus System Line Data Download Table

Ieee 30 Bus System Line Data Download Table

Power Systems And Evolutionary Algorithms 30 Bus System

Power Systems And Evolutionary Algorithms 30 Bus System

Transient Stability Of Ieee 30 Bus System Using E Tap Software

Transient Stability Of Ieee 30 Bus System Using E Tap Software

Single Line Diagram Of Ieee 30 Bus System Download Scientific Diagram

Single Line Diagram Of Ieee 30 Bus System Download Scientific Diagram

Knowledge Base Pscad

Knowledge Base Pscad

Analytical Review Of Power Flow Tracing In Deregulated Power System

Analytical Review Of Power Flow Tracing In Deregulated Power System

Single Line Diagram Of The Ieee 30 Bus Test Data Of The Modified Ieee 30 Bus

Single Line Diagram Of The Ieee 30 Bus Test Data Of The Modified Ieee 30 Bus

Write Your Own Program That Can Solve A Given Power Chegg Com

Write Your Own Program That Can Solve A Given Power Chegg Com

Energies Free Full Text Optimal Power Flow Using Particle Swarm Optimization Of Renewable Hybrid Distributed Generation Html

Energies Free Full Text Optimal Power Flow Using Particle Swarm Optimization Of Renewable Hybrid Distributed Generation Html

Transient Stability Of Ieee 30 Bus System Using E Tap Software

Transient Stability Of Ieee 30 Bus System Using E Tap Software

Ieee 30 Bus Test System Download Scientific Diagram

Ieee 30 Bus Test System Download Scientific Diagram

Data For Ieee 30 Bus Test System Pdf Pdf Electricity Electric Power

Data For Ieee 30 Bus Test System Pdf Pdf Electricity Electric Power

Pdf Power Flow Analysis For Ieee 30 Bus Distribution System Semantic Scholar

Pdf Power Flow Analysis For Ieee 30 Bus Distribution System Semantic Scholar

1

1

Applied Sciences Free Full Text The Optimization Of The Location And Capacity Of Reactive Power Generation Units Using A Hybrid Genetic Algorithm Incorporated By The Bus Impedance Power Flow Calculation Method

Applied Sciences Free Full Text The Optimization Of The Location And Capacity Of Reactive Power Generation Units Using A Hybrid Genetic Algorithm Incorporated By The Bus Impedance Power Flow Calculation Method

The Extended Kalman Filter In The Dynamic State Estimation Of Electrical Power Systems

The Extended Kalman Filter In The Dynamic State Estimation Of Electrical Power Systems

Solved P11 Write Down The Binary Connectivity Matrix Bcm Chegg Com

Solved P11 Write Down The Binary Connectivity Matrix Bcm Chegg Com

Pdf 143271166 Ieee 30 Bus Distribution System Md Shafiullah Academia Edu

Pdf 143271166 Ieee 30 Bus Distribution System Md Shafiullah Academia Edu

A Data For For Ieee 30 Bus Test System The Cost Coefficients Of Ieee 30 Bus

A Data For For Ieee 30 Bus Test System The Cost Coefficients Of Ieee 30 Bus

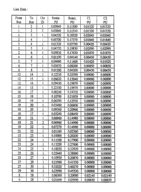
Appendices Appendix A Data For Ieee 30 Bus Appendices Appendix A Data For Ieee 30 Bus

Appendices Appendix A Data For Ieee 30 Bus Appendices Appendix A Data For Ieee 30 Bus

Optimal Power Flow Solution Of Transmission Line Network Of Electric Power System Using Genetic Algorithm Technique

Optimal Power Flow Solution Of Transmission Line Network Of Electric Power System Using Genetic Algorithm Technique

Power System Data And Test Cases Research On Power System Dynamics And Modeling

Power System Data And Test Cases Research On Power System Dynamics And Modeling

Optimal Siting And Sizing Of Multiple Dg Units For The Enhancement Of Voltage Profile And Loss Minimization In Transmission Systems Using Nature Inspired Algorithms

Optimal Siting And Sizing Of Multiple Dg Units For The Enhancement Of Voltage Profile And Loss Minimization In Transmission Systems Using Nature Inspired Algorithms

Ieee 30 Bus System Data Pdf

Ieee 30 Bus System Data Pdf

2

2

Single Line Diagram Of Ieee 30 Bus Test System The Data For The Download Scientific Diagram

Single Line Diagram Of Ieee 30 Bus Test System The Data For The Download Scientific Diagram

Security Constrained Unit Commitment Scuc Formulation And Its Solving With Modified Imperialist Competitive Algorithm Mica Sciencedirect

Security Constrained Unit Commitment Scuc Formulation And Its Solving With Modified Imperialist Competitive Algorithm Mica Sciencedirect

2

2

Pdf Power Flow Analysis For Ieee 30 Bus Distribution System Semantic Scholar

Pdf Power Flow Analysis For Ieee 30 Bus Distribution System Semantic Scholar

Power Systems And Evolutionary Algorithms 14 Bus System

Power Systems And Evolutionary Algorithms 14 Bus System

Appendices Appendix A Data For Ieee 30 Bus Appendices Appendix A Data For Ieee 30 Bus

Appendices Appendix A Data For Ieee 30 Bus Appendices Appendix A Data For Ieee 30 Bus

Pdf Communication And Control In Electric Payer Systems Application Of Parallel And Distributed Processing Appendix C Ieee 30 Bus System Data C L Bus Load And Injection Data Of The Ieee 30 Bus System

Pdf Communication And Control In Electric Payer Systems Application Of Parallel And Distributed Processing Appendix C Ieee 30 Bus System Data C L Bus Load And Injection Data Of The Ieee 30 Bus System

Analytical Review Of Power Flow Tracing In Deregulated Power System

Analytical Review Of Power Flow Tracing In Deregulated Power System

18 Appendix Ieee 30 Bus Appendices Appendix A Data For Ieee 30 Bus Test System The One Studocu

18 Appendix Ieee 30 Bus Appendices Appendix A Data For Ieee 30 Bus Test System The One Studocu

The Ieee 30 Bus Test System In Single Line Diagram Style Showing The Download Scientific Diagram

The Ieee 30 Bus Test System In Single Line Diagram Style Showing The Download Scientific Diagram

2

2

Energies Free Full Text Optimal Placement Sizing And Coordination Of Facts Devices In Transmission Network Using Whale Optimization Algorithm Html

Energies Free Full Text Optimal Placement Sizing And Coordination Of Facts Devices In Transmission Network Using Whale Optimization Algorithm Html

An Integrated Ga Abc Optimization Technique To Solve Unit Commitment And Economic Dispatch Problems Scialert Responsive Version

An Integrated Ga Abc Optimization Technique To Solve Unit Commitment And Economic Dispatch Problems Scialert Responsive Version

1

1

See end of file for warnings generated during conversion.

In this bus system provided data form generation bus shunt capacitor transmission line load on bus. Ieee 30 bus system by ieee 30 bus modified test system kios research center appendix a data for ieee 30 bus test system pscadtm manitoba hvdc research centre ieee 30 bus system file exchange matlab central liines smart power grid test case repository load flow analysis amp simulation on ieee 30 bus system power system data and test cases. C14CASE14 Power flow data for IEEE 14 bus test case. 2393 See end of file for warnings generated during conversion. The 30 bus test case does not have line limits. Converted from IEEE CDF file from University of Washington power systems test case archive. The IEEE 30 Bus Test Case represents a portion of the American Electric Power System in the Midwestern US as of December 1961. The system data is taken from references 3. The bus voltage magnitudes angles of each bus -.


In this bus system provided data form generation bus shunt capacitor transmission line load on bus. Ieee 30 bus system by ieee 30 bus modified test system kios research center appendix a data for ieee 30 bus test system pscadtm manitoba hvdc research centre ieee 30 bus system file exchange matlab central liines smart power grid test case repository load flow analysis amp simulation on ieee 30 bus system power system data and test cases. The bus voltage magnitudes angles of each bus -. The IEEE 30 Bus Test Case represents a portion of the American Electric Power System in the Midwestern US as of December 1961. DATA FOR IEEE-30 BUS TEST SYSTEM The IEEE - 30 bus test system is shown in figure A1. The examples are all validation against PSSE powerflow results. Ieee 30 Bus Test System Transformer Data IEEE 9 Bus System Example kios ucy ac cy April 22nd 2019 - Version R0 Date 23 10 2017 IEEE 9 Bus System Example Page 1 Not controlled when printed 1 IEEE 9 BUS SYSTEM EXAMPLE 1 1 SUMMARY This example consists of a modified version of the well known Western System Coordinating Council Data for the.

Post a Comment for "Ieee 30 Bus System Data"